
一.序言
隨著開關電源的體積越來越小.功率特別大,EMI測試操作問題成為開關電源可靠性的關鍵因素。EMI過濾技術.屏蔽技術.密封技術和接地技術可以有效抑制.清除干擾源和受擾設備之間的耦合和輻射,斷開干擾信號的傳播途徑,從而提高開關電源的電磁兼容性。
開關電源是一種功率半導體器件和電力轉換技術.電子電磁技術.電力和電子設備,如自動控制技術。開關電源瞬態響應較弱.易產生干擾信號(EMI),且EMI測試信號具有廣泛的頻率范圍和一定的強度。EMI信號通過傳導和輻射方式污染電磁環境,影響通信設備和儀因此開關電源的應用受到一定程度的限制。
二.干擾信號的原因
干擾信號(EMI,Electromagneticlnterference)它是一種電子系統或子系統受到意外電磁振蕩的性能危害。它由三個基本前提組成:干擾源,即干擾信號能量的設備;蓮花模式,即傳輸干擾信號的通道或媒體;受干擾信號損壞的敏感設備.設備.子系統或系統。有鑒于此,控制干擾信號的基本對策是:抑制干擾源.斷開耦合模式,減少敏感設備對電磁敏感度電平的影響。
根據開關電源的工作原理:開關電源首先將工作頻率交流整流為直流,然后逆變為高頻交流,最后通過整流濾波輸出,獲得穩定的交流電壓。在電路中,電源三極管.二極管的主要工作是開關管,工作是微秒量級,三極管.二極管在開閉旋轉環節中升起.電流在下降時間內變化很大.容易產生射頻能量,產生干擾源。同時,由于變壓器的泄漏和二極管反向恢復電流引起的峰值,也會形成隱性干擾信號。
開關電源通常在高頻情況下工作,因此其分布電容不容忽視。一方面,由于其接觸面積大、絕緣薄,散熱器與開關管的絕緣片之間的絕緣片在高頻時不容忽視。高頻電流通過分布電容流入散熱器,然后流入外殼,造成共模干擾;另一方面,脈沖變壓器的初級中間存在分布電容,可以直接將初級繞組電阻電壓耦合到次級繞組上,導致次級繞組上的共模干擾。
因此,開關電源中的干擾源主要在于電壓.電流變化很大,比如開關管.二極管.高頻變壓器等元件及其交流鍵入.整流導出電路部分。
三.抑制開關電源干擾信號的措施
一般開關電源EMI過濾技術通常用于操縱操作.屏蔽技術.密封技術.接地技術等。EMI根據傳播途徑,影響分為傳導干擾和輻射干擾。開關電源通常是傳導干擾,頻率范圍最約10kHz一30MHz。抑制傳導干擾的對策大多是10kHz一150kHz.150kHz一10MHz.10MHz以上三個頻段來解決。
①10kHz一150kHz范圍內的關鍵是正常影響,一般采用通用LC解決過濾器。
②150kHz一10MHz共模抑制過濾器通常用于解決范圍內的共模干擾。
③10MHz上述頻段的對策是改善過濾器的外觀,并采用電磁屏蔽對策。
1.選擇交流鍵入EMI過濾器
一般來說,在導線上傳輸影響電流有兩種方式:共模法和差模法。共模干擾是負載液體與地面之間的影響,其影響大小和方向有任何相對于地面的電源.或者中線到地面之間,一般是由du/dt產生的,di/dt也會產生一定的共模干擾。
差模干擾是負載液體之間的影響:相同尺寸的影響.相反,電源相線與中線、相線和相線之間存在中間位置。影響電流不僅可以通過共模模式傳輸,還可以通過差模式傳輸。然而,只有當共模干擾電流變為差模干擾電流時,才能影響有用的信號。
交流輸入網絡存在以上兩種影響,一般為低頻段差模干擾和高頻段共模干擾。一般來說,差模干擾強度小.頻率低.影響小;共模干擾范圍大;.高頻率,還可以通過導線產生輻射,造成較大的影響。如果選擇適度的交流電輸入端EMI過濾器可以有效地抑制干擾信號。電源線EMI過濾器的基本概念如圖1所示,其中差模電容C1.C2用于短路差模干擾電流,中間連接接地電容C3.C4用于短路共模干擾電流。共模扼流圈由雙股等粗線圈組成,線圈在一個磁芯中按同一方向纏繞。如果兩個線圈之間的磁耦合非常緊密,那么泄漏感就不會很大,電源線頻率范圍內的差模電抗將變得非常小。當負載電流通過共模扼流圈時,串聯在相線上的線圈形成的磁感應線與串聯在中線上的線圈形成的磁力線方向相反,在磁芯中相互抵消。因此,即使在大負載電流的情況下,磁芯也不會飽和。但是對于共模干擾電流,兩個線圈產生的磁場是同向的,會出現較大的電感,從而產生共模干擾信號的損耗。在這里,共模扼流圈采用高導磁率.鐵氧體永磁材料具有良好的頻率特性。
圖1.電源線過濾器基本電路圖
2.使用吸收電路改進開關波型
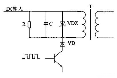
開關管或二極管在開關環節,由于變壓器泄漏和路線電感,二極管存儲電容和分布電容,易于開關管集電極.發射極和二極管兩側的峰值電壓。一般來說,選擇RC/RCD吸收回路,RCD圖2所示的浪涌電壓吸收回路。
圖2.RCD浪涌電壓吸收回路
當吸收回路上的電壓超過一定強度時,每個裝置都會迅速斷開,從而釋放浪涌能量,同時將浪涌電壓限制在一定強度。飽和磁芯線圈或微晶磁珠串聯在開關管集電極和導出二極管的正導線上,材料一般為鈷(Co),當磁芯根據正常電流飽和時,電感不大。一旦電流反向通過,就會產生很大的反向電勢,可以有效抑制二極管VD反向浪涌電流。
3.使用開關頻率調制技術
頻率控制系統基于開關,主要影響特定次數的能量,具有較大的頻帶峰值。如果這些動能能夠分散在較寬的頻帶上,則可以達到降低擾頻帶峰值的效果。一般來說,有兩種處理方法:任意頻率法和調制頻率法。
①任意頻率法
在電路開關間距中添加一個任意振蕩部件,以在一定范圍內分散開關的影響動能。研究發現,開關影響頻帶已從原來的離散峰值脈沖干擾轉變為連續分布影響,峰值大大降低。
②調制頻率法
在鋸齒波中加入調制波(白噪聲),在受影響的離散頻段周圍產生邊緣頻段,將受影響的離散頻段分配成一個無處不在的頻段。這樣,影響動能就會分散到這些無處不在的頻帶上。這種控制措施可以很好地抑制開啟,而不影響轉換器的工作特性.關閉后的影響。
4.選擇軟開關技術
開關電源的影響之一是功率開關管通/斷時du/dt,因此,降低功率開關管通/斷du/dt這是抑制開關電源影響的重要對策。軟開關技術可以減少開關管/斷開的數量du/dt。
如果在開關電路的前提下添加一個小電感.電容器和其他諧振元件構成一個輔助網絡。開關過程前后引入諧振過程,使開關開啟前的電壓降至零,從而清除開的電壓.減少電流重合的情況.甚至清除開關的損耗和影響,這種電路被稱為軟開關電路。
根據上述原則,可以采用兩種方法,在開關關閉前使電流為零,開關關閉時不會造成損失和影響。這種關閉方法稱為零電流關閉;或者在開關打開前使電壓為零,開關打開時不會造成損失和影響。這種開啟方式稱為零電壓開啟。在許多情況下,不再強調打開或關閉,只稱為零電流開關和零電壓開關。基本電路如圖3和圖4所示。
圖4.零電流開關諧振電路
圖5.零電流開關諧振電路
一般采用軟開關電路控制系統,合理的元件布局和印刷電路板布局.接地技術,開關電源EMI具有一定的改善效果。
5.選擇電磁屏蔽對策
電磁屏蔽對策一般可有效抑制開關電源的電磁輻射影響。開關電源的屏蔽對策主要用于開關管和高頻變壓器。
①針對開關管
開關管工作時產生大量熱量,需要安裝散熱器,使開關管的集電極與散熱器之間產生較大的分布電容。因此,在開關管的集電極與散熱器之間放置絕緣屏蔽金屬層,散熱器與外殼連接,金屬層接收熱端零電位,減少集電極與散熱器之間的連接電容,減少散熱器造成的輻射干擾。
②高頻變壓器
對于高頻變壓器,首先要根據導磁屏蔽特性選擇導磁結構,如罐式鐵芯和El型鐵芯,導磁體屏蔽效果好。當變壓器增加屏蔽時,屏蔽盒不應靠近變電器外部,并應留下一定的磁密度。如果選擇帶有磁密度的雙層屏蔽,屏蔽效果更好。此外,在高頻變壓器中,必須經常清除初始.二次線圈之間的分布電容器可以沿著線圈的長度在線圈之間墊上銅泊,以減少兩者之間的災難。該引路帶環不僅與變壓器的鐵芯連接,還與電源的地面連接,起到靜電屏蔽的作用。如果條件允許,在整個開關電源上安裝屏蔽罩,會更好地抑制輻射干擾。
四.結語
隨著開關電源的容積越來越小.功率特別大,EMI測試問題已成為開關電源可靠性的關鍵要素。根據上述分析,選擇了EMI過濾技術.屏蔽技術.密封技術和接地技術能有效抑制.清除干擾源與受干擾設備之間的禍合和輻射,切斷干擾信號的傳播途徑,提高開關電源的電磁兼容性。